|
Manufacture |
ABB |
|
Model |
R513 R0003 |
| PN No. |
R513 R0003 |
|
Catalog |
Advant OCS with Master SW |
|
Description |
Interposing Relay |
| Origin | Sweden |
| HS CODE | 85389099 |
| Dimension |
1.98*0.2*2.61 (CM) |
| Weight | 0.5 kg |
Description:
ABB R513 R0003 Interposing Relay
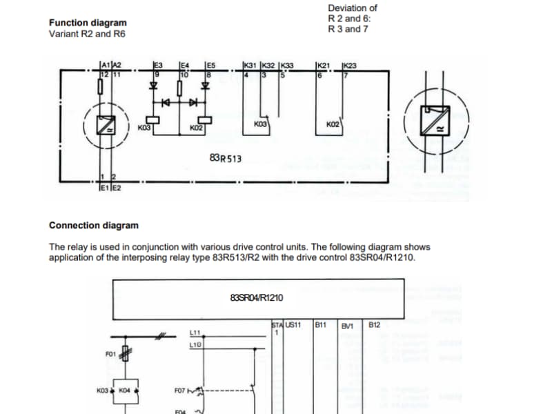
The interposing relay is used as an interface between the drive control unit and switchgear located in the motor control centre. It possesses two relays which are driven via the inputs E3, E4 and E5. The connected switchgear is operated by the relay contacts via the outputs K21, K23 or K31, K32, K33. The annunciation signal "Disturbance in the motor control centre" is connected at the inputs E1, E2 and is available at the outputs A1, A2 as potential-free contacts.
sheet Link:
ABB R513 R0003 Interposing Relay PDF Datasheet
















